您好,欢迎进入江苏重泰减速机有限公司的官方网站 | 微信公众平台
全国客户服务热线
400-710-9918
我的订单 购物车

当前位置:首页 > 产品展示 > 电机 > Y系列普通电机 >

Y系列普通6P电机



注:由于市场价格时有波动,以下价格仅供参考,实际以销售人员报价为准,详情请拨打:13861821233

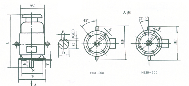
Y系列(IP44)三相异步电动机(H80-H315) Y系列(IP44)电动机是全封闭自扇冷式笼形三相异步电动机,具有高效、节能、起动转矩大、噪音低、振动小、可靠性高等特点。其功率等级及安...
产地:中国>江苏>泰兴
供应商:江苏重泰减速机械有限公司
点这里给我发消息
电话:0510-80212111 13861821233 传真:0510-80212333
在线咨询 在线预订

Y系列(IP44)三相异步电动机(H80-H315)
  Y系列(IP44)电动机是全封闭自扇冷式笼形三相异步电动机,具有高效、节能、起动转矩大、噪音低、振动小、可靠性高等特点。其功率等级及安装尺寸完全符合IEC标准。
  Y系列(IP44)电动机是一般用途的电动机,适用于驱动无特殊性能要求的各种机械设备如机床、水泵、风机、压缩机、运输机、搅拌机、农业机械、矿山机械等。
  Y系列(IP44)电动机额定电压为380V、额定频率为50Hz、绝缘等级为B级、防护等级为IP44、安装型式有:Y80-Y160
IMB3、B5、B6、B7、B8、B35、V1、V3、V5、V6、V15、V36
Y80-Y225 IMB3、B5、B35、V1
Y250-Y315 IMB3、B35、V1

 

安装尺寸

V1机座不带底脚 、端盖无凸缘

B3机座带底脚、 端盖无凸缘

产品列表


扫描二维码关注泰兴减速机
或者手动添加手机号 /微信号
18851572910
首页 | 齿轮减速机 | 摆线针轮减速机 | 四大系列 | 行星减速机 | 精密行星减速机 | 蜗轮蜗杆减速机 | 电动滚筒 | 电机 | H/B系列齿轮箱 | RV系列减速机 | 机械密封 | 搅拌装置总成部件 | 搅拌机架 | 变频器/伺服 | 三菱产品 | 联轴器 | 搅拌机 | 搅拌桨 | 新闻中心 | 客户案例 | 售后服务 | 联系方式 whc减速机,cwo减速机,scw减速机,whs减速机,cws减速机,wps减速机,wpa减速机

江苏重泰减速机有限公司
采购 泰兴减速机 请选择重泰减速机有限公司(原 泰兴减速机总厂

全国咨询电话: 400-710-9918 传真:0510-80212333/85516654/85508340
座机:0510-80212111/80212555/80210978/85519221/85518416/85511836
邮箱:1051532995@qq.com 地址:无锡市解放北路16号

COPYRIGHT © 江苏重泰减速机有限公司 ALL RESERVED. 备案号:苏ICP备16024179号-1 隐私政策