PWU型平面二次包络环面蜗杆减速器是以一个平面为母面,通过相圆周运动,包络出环面蜗杆的齿面,再以蜗杆的齿面为母面,通过相对运动包络出蜗轮的齿面。平面二次包络环面蜗杆与普通圆柱蜗杆及直廓环面蜗杆相比较,具有以下特点:
1、蜗杆为环面蜗杆,与蜗轮同时啮合的齿数增多;
2、蜗杆的齿面的经过硬化处理后精确磨削而成,齿面硬度,表面表糙度等级提高,可以达到很高的齿型精度。
3、齿面接触面积大,并且有瞬时双线接触,接触线总长度加长。
4、齿面润滑角大,啮合中容易形成动压油。



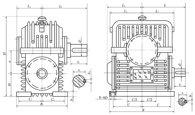
| a | H1 | B | B1 | C | C1 | D | H | L | L1 | L2 | L3 | L4 | L5 | d1 | b1 | t1 | l1 | d2 | b2 | t2 | l2 | h |
| 80 | 100 | 250 | 190 | 112 | 80 | 14 | 315 | 160 | 160 | 125 | 180 | 100 | 90 | 25 | 8 | 28 | 42 | 45 | 14 | 48.5 | 82 | 30 |
| 100 | 112 | 300 | 236 | 130 | 100 | 16 | 355 | 200 | 200 | 160 | 212 | 125 | 118 | 32 | 10 | 35 | 58 | 55 | 16 | 59 | 82 | 35 |
| 125 | 125 | 355 | 280 | 160 | 125 | 18 | 450 | 236 | 236 | 190 | 250 | 150 | 140 | 38 | 10 | 41 | 58 | 65 | 18 | 69 | 105 | 38 |
| 140 | 140 | 400 | 315 | 180 | 140 | 20 | 500 | 265 | 265 | 212 | 280 | 160 | 160 | 42 | 12 | 45 | 82 | 70 | 20 | 74.5 | 105 | 40 |
| 160 | 160 | 450 | 355 | 200 | 160 | 21 | 560 | 300 | 300 | 236 | 315 | 190 | 180 | 48 | 14 | 51.5 | 82 | 80 | 22 | 85 | 130 | 42 |
| 180 | 180 | 500 | 400 | 225 | 180 | 22 | 630 | 335 | 335 | 265 | 355 | 212 | 200 | 56 | 16 | 60 | 82 | 90 | 25 | 95 | 130 | 45 |
| 200 | 200 | 560 | 450 | 250 | 200 | 24 | 710 | 355 | 355 | 300 | 400 | 236 | 224 | 60 | 18 | 64 | 105 | 100 | 28 | 106 | 165 | 50 |
| 225 | 225 | 630 | 500 | 280 | 225 | 26 | 800 | 400 | 400 | 315 | 450 | 265 | 250 | 65 | 18 | 69 | 105 | 110 | 28 | 116 | 165 | 53 |
| 250 | 250 | 670 | 530 | 300 | 250 | 28 | 850 | 450 | 450 | 355 | 500 | 280 | 280 | 70 | 20 | 74.5 | 105 | 125 | 32 | 132 | 165 | 56 |
| 280 | 280 | 800 | 600 | 355 | 280 | 30 | 950 | 475 | 475 | 400 | 560 | 315 | 315 | 85 | 22 | 90 | 130 | 140 | 36 | 148 | 200 | 60 |
| 315 | 315 | 900 | 670 | 375 | 315 | 32 | 1060 | 560 | 560 | 450 | 630 | 355 | 355 | 90 | 25 | 95 | 130 | 150 | 36 | 158 | 200 | 67 |
| 355 | 355 | 1000 | 750 | 425 | 355 | 35 | 1250 | 670 | 670 | 500 | 710 | 400 | 400 | 100 | 28 | 106 | 165 | 170 | 40 | 179 | 240 | 75 |


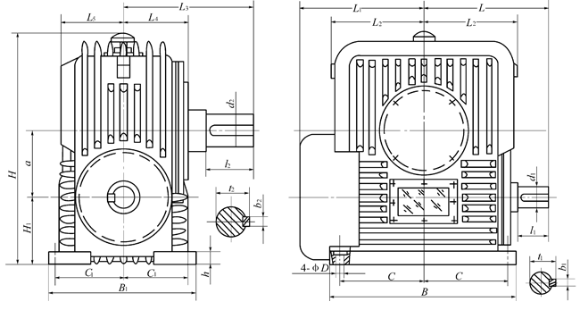
| a | H1 | B | B1 | C | C1 | D | H | L | L1 | L2 | L3 | L4 | d1 | b1 | t1 | l1 | d2 | b2 | t2 | l2 | h |
| 400 | 355 | 900 | 800 | 400 | 355 | 35 | 1250 | 600 | 600 | 450 | 630 | 375 | 110 | 28 | 116 | 165 | 180 | 45 | 190 | 240 | 55 |
| 450 | 400 | 1000 | 900 | 450 | 400 | 39 | 1400 | 670 | 670 | 500 | 710 | 425 | 125 | 32 | 132 | 165 | 200 | 45 | 210 | 280 | 60 |
| 500 | 450 | 1120 | 1000 | 500 | 450 | 42 | 1600 | 750 | 750 | 560 | 800 | 475 | 130 | 32 | 137 | 200 | 220 | 50 | 231 | 280 | 65 |
| 560 | 500 | 1250 | 1120 | 560 | 500 | 45 | 1800 | 850 | 850 | 630 | 900 | 530 | 150 | 36 | 158 | 200 | 250 | 56 | 262 | 330 | 72 |
| 630 | 560 | 1400 | 1250 | 630 | 560 | 48 | 2000 | 950 | 950 | 710 | 1000 | 600 | 170 | 40 | 179 | 240 | 280 | 63 | 292 | 380 | 80 |
| 710 | 630 | 1600 | 1400 | 710 | 630 | 52 | 2240 | 1060 | 1060 | 800 | 1250 | 670 | 190 | 45 | 200 | 280 | 320 | 70 | 334 | 380 | 88 |

江苏重泰减速机有限公司
采购 泰兴减速机 请选择重泰减速机有限公司(原 泰兴减速机总厂)
全国咨询电话: 400-710-9918 传真:0510-80212333/85516654/85508340
座机:0510-80212111/80212555/80210978/85519221/85518416/85511836
邮箱:1051532995@qq.com 地址:无锡市解放北路16号