该减速器体积小、重量轻,承载能力高,使用寿命长、运转平稳,噪声低。具有功率分流、多齿啮合独用的特性。最大输入功率可达104kW。适用于起重 运输、工程机械、冶金、矿山、石油化工、建筑机械、轻工纺织、医疗器械、仪器仪表、汽车、船舶、兵器和航空航天等工业部门。行星系列新品种WGN定轴传动 减速器、WN子母齿轮传动减速器、弹性均载少齿差减速器。
一、概述
行星齿轮系列减速机是一种具有广泛通用性的新性减速机,内部齿轮采用20CvMnT渗碳淬火和磨齿。整机具有结构尺寸小,输出扭矩大,速比在、效率高、性能安全可靠等特点。本机主要用于塔式起重机的回转机构,又可作为配套部件用于起重、挖掘、运输、建筑等行业。
适用范围如下:
输入轴转速≤1500r/min
转动方向:正反
机构工作级别:M5
结构利用等级:T4
工作环境温度:-40℃~+45℃,低于0℃,启动前润滑油需预热。
二、型号说明

三、传动形式简图

减速机的选用
选用输出扭矩时,要考虑到工况系数,当计算扭矩为TC时,则T=KATC-。
KA值列表如下:
| 动力 | 载荷 | ||
| 一般载荷 | 交变载荷 | 动擎载荷 | |
| 液压马达 | 1 | 1.2 | 1.4 |
| 交流电动机 | 1.2 | 1.4 | 1.6 |
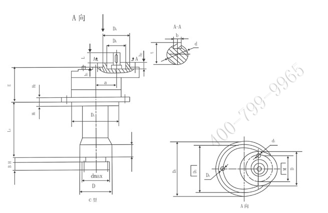
XX型回转行星齿轮减速机外形尺寸

|
型号
|
输入速度(r/min)
|
输出扭矩(Nm)
|
主要安装尺寸
|
||||||||||||
|
T额
|
T最大
|
Dt(h7)
|
D2
|
D3
|
D4(h7)
|
D5(H7)
|
D6
|
H
|
H1
|
H2
|
D7(H7)
|
H3
|
L3
|
||
|
xx-25
|
1500
|
2500
|
3750
|
220
|
280
|
250
|
85
|
70
|
2414 |
5
|
15
|
20
|
170
|
55
|
200
|
|
xx-40
|
1500
|
4000
|
6000
|
260
|
320
|
290
|
85
|
70
|
24 14 |
5
|
15
|
25
|
176
|
66
|
230
|
|
xx-63
|
1500
|
6300
|
9450
|
260
|
320
|
290
|
85
|
70
|
24 14 |
5
|
15
|
25
|
200
|
70
|
230
|
|
xx-80
|
1500
|
8000
|
12000
|
295
|
370
|
340
|
85
|
70
|
24 18 |
12
|
20
|
30
|
220
|
70
|
315
|
|
xx-100
|
1500
|
1000
|
15000
|
330
|
420
|
380
|
170
|
24 18 |
12
|
40
|
30
|
260
|
60
|
315
|
|
|
xx-160
|
1500
|
16000
|
24000
|
415
|
500
|
465
|
180
|
24 18 |
25
|
20
|
30
|
280
|
100
|
550
|
|
|
xx-250
|
1500
|
25000
|
37500
|
415
|
500
|
200
|
2422
|
5
|
20
|
35
|
330
|
100
|
600
|
||
|
型号
|
输出尺寸
|
外廓尺寸
|
输入轴端尺寸
|
||||||||||
|
Dmax
|
B
|
E
|
a
|
d
|
b
|
t
|
h1
|
h2
|
L
|
M
|
d1
|
D
|
|
|
xx-25
|
120
|
90
|
204
|
82
|
20h6
|
6
|
22.5
|
4
|
10
|
41
|
160
|
6-M12
|
205
|
|
xx-40
|
150
|
80
|
232
|
102
|
25h6
|
8
|
28
|
4
|
10
|
40
|
160
|
6-M12
|
196
|
|
xx-63
|
150
|
85
|
220
|
102
|
25js6
|
8
|
28
|
5
|
10
|
47
|
160
|
6-M12
|
215
|
|
xx-80
|
168
|
85
|
290
|
102
|
25js6
|
8
|
28
|
5
|
10
|
47
|
160
|
6-M12
|
200
|
|
xx-100
|
184
|
90
|
347
|
124
|
30k6
|
8
|
33
|
? |
10
|
40
|
245
|
6-M12
|
316
|
|
xx-160
|
210
|
110
|
364
|
155
|
42k6
|
12
|
45
|
15
|
47
|
260
|
|||
|
xx-250
|
260
|
140
|
364
|
155
|
55k6
|
16
|
59
|
15
|
65
|
280
|
|||
|
代号
|
额定输出转矩
|
|||||||
|
传动比
|
2500
|
4000
|
630
|
8000
|
10000
|
16000
|
25000
|
|
|
xx1
|
6
|
○
|
○
|
○
|
||||
|
7.5
|
○
|
○
|
○
|
|||||
|
8
|
○
|
○
|
○
|
|||||
|
xx2
|
10
|
○
|
○
|
○
|
○
|
|||
|
11.2
|
○
|
○
|
○
|
○
|
||||
|
12.5
|
○
|
○
|
○
|
○
|
||||
|
14
|
○
|
○
|
○
|
○
|
||||
|
16
|
○
|
○
|
||||||
|
18
|
○
|
○
|
||||||
|
20
|
○
|
○
|
||||||
|
22.4
|
○
|
○
|
||||||
|
28
|
○
|
○
|
||||||
|
31.5
|
○
|
○
|
||||||
|
xx3
|
36
|
○
|
○
|
○
|
||||
|
45
|
○
|
○
|
||||||
|
54
|
○
|
○
|
||||||
|
56
|
○
|
○
|
||||||
|
64
|
○
|
○
|
||||||
|
xx4
|
63
|
○
|
○
|
|||||
|
71
|
○
|
○
|
||||||
|
80
|
○
|
○
|
||||||
|
90
|
○
|
○
|
||||||
|
100
|
○
|
○
|
||||||
|
112
|
○
|
|||||||
|
125
|
○
|
|||||||
|
135
|
○
|
|||||||
|
140
|
○
|
|||||||
|
157.5
|
○
|
|||||||
|
160
|
○
|
|||||||
|
180
|
○
|
|||||||
|
195
|
○
|
○
|
||||||

江苏重泰减速机有限公司
采购 泰兴减速机 请选择重泰减速机有限公司(原 泰兴减速机总厂)
全国咨询电话: 400-710-9918 传真:0510-80212333/85516654/85508340
座机:0510-80212111/80212555/80210978/85519221/85518416/85511836
邮箱:1051532995@qq.com 地址:无锡市解放北路16号