导航 搜索
    JII 型单支点机架、TJA型机架



    注:由于市场价格时有波动,以下价格仅供参考,实际以销售人员报价为准,详情请拨打:13861821233

    商品介绍

     

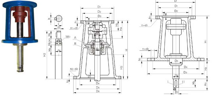
    JⅡ型单支点机架主要参数及尺寸

     

     

    机架型号 减速机型号 D1 D2 D3(H8) D4(H9) D5 D6 n1-d1 n2-d2 H H2 H3 H4 H5 H6 H8 H8 H9
    JⅡ2 B2 260 230 200 295 350 392 6-13.5 4-26 568 478 301 159 89 74 20 17 70
    JⅡ3 B3 340 310 270 345 400 442 6-13.5 4-26 675 575 358 178 101 81 37 20 82
    JⅡ4 B4 400 360 320(316) 435 500 548 8-16 8-30 736 613 384 215 123 92 25 28 120
    JⅡ5 B5 490 450 400 440 550 600 12-18 12-22 835 685 363 280 150 130 44 40 142
    JⅡ6 B6 580 520 460(455) 500 550 600 12-22 12-22 928 739 380 350 187 163 46 40 156

    机架型号 减速机型号 d1 d2 d3 M0 d4
    (k6)
    b t f1 f2 h1 h2
    JⅡ2 B2 45 45 43 M50×2 50 14 48.5 6 5 20 12
    JⅡ3 B3 55 55 63 M65×2 65 16 59 6 5 20 24
    JⅡ4 B4 70 70 72 M75×2 75 20 74.5 7 5 22 26
    JⅡ5 B5 90 90 95 M100×2 100 25 95 8 7 26 28
    JⅡ6 B6 100 100 105 M110×2 110 28 106 10 7 28 30

    TJA型单支点机架主要参数及尺寸

    机架型号 减速机型号 输入端接口 输出端接口 D5 D6 D7 H1 H2 H3 H4
    D D1 D2(H9) h1 h2 n-d1 D3 D4 n-d2 h3
    TJA0 B0 190 160 140 16 5 4-12 250 210 3-12 16 115 45 30 260 200 34 70
    TJA1 B1 230 200 170 16 5 6-12 290 260 4-12 16 115 45 35 310 200 57 100
    TJA2 B2 260 230 200 20 6 6-12 345 300 3-18 20 115 50 45 350 200 57 100
    TJA3 B3 340 310 270 22 6 6-13.5 460 400 4-20 22 160 60 55 440 250 77 100
    TJA4 B4 400 260 320
    (316)
    22 7 8-15 580 530 6-20 22 160 75 70 521 250 87 130
    TJA5 B5 490 450 400 25 7 12-18 600 550 8-22 28 240 100 90 540 300 107 170
    TJA6 B6 580 520 320
    (316)
    28 10 12-22 600 560 12-22 30 250 110 100 624 350 100 200
    TJA7 B7 650 590 520 30 12 12-22 700 650 12-22 30 275 120 110 724 400 142 200
    TJA8 B8 880 800 680 30 12 12-37 880 810 20-27 37 310 140 130 818 450 202 225

     

    注:图中所注“H2”仅与本样本BLD系列件速机相配,如选用其他型号或其他厂家减速机,“H2”需另行计算。
    2、Ⅰ型为夹壳式联轴器联接
    3、Ⅱ型为JA型联轴器联接
    4、如用户对输出轴长度有特殊要求,请在订货时说明

     
     

    JⅡ型单支点机架主要参数及尺寸

     

    机架型号 减速机型号 D1 D2 D3(H8) D4(H9) D5 D6 n1-d1 n2-d2 H H2 H3 H4 H5 H6 H8 H8 H9
    JⅡ2 B2 260 230 200 295 350 392 6-13.5 4-26 568 478 301 159 89 74 20 17 70
    JⅡ3 B3 340 310 270 345 400 442 6-13.5 4-26 675 575 358 178 101 81 37 20 82
    JⅡ4 B4 400 360 320(316) 435 500 548 8-16 8-30 736 613 384 215 123 92 25 28 120
    JⅡ5 B5 490 450 400 440 550 600 12-18 12-22 835 685 363 280 150 130 44 40 142
    JⅡ6 B6 580 520 460(455) 500 550 600 12-22 12-22 928 739 380 350 187 163 46 40 156

     

    机架型号 减速机型号 d1 d2 d3 M0 d4
    (k6)
    b t f1 f2 h1 h2
    JⅡ2 B2 45 45 43 M50×2 50 14 48.5 6 5 20 12
    JⅡ3 B3 55 55 63 M65×2 65 16 59 6 5 20 24
    JⅡ4 B4 70 70 72 M75×2 75 20 74.5 7 5 22 26
    JⅡ5 B5 90 90 95 M100×2 100 25 95 8 7 26 28
    JⅡ6 B6 100 100 105 M110×2 110 28 106 10 7 28 30


    TJA型单支点机架主要参数及尺寸
     

    机架型号 减速机型号 输入端接口 输出端接口 D5 D6 D7 H1 H2 H3 H4
    D D1 D2(H9) h1 h2 n-d1 D3 D4 n-d2 h3
    TJA0 B0 190 160 140 16 5 4-12 250 210 3-12 16 115 45 30 260 200 34 70
    TJA1 B1 230 200 170 16 5 6-12 290 260 4-12 16 115 45 35 310 200 57 100
    TJA2 B2 260 230 200 20 6 6-12 345 300 3-18 20 115 50 45 350 200 57 100
    TJA3 B3 340 310 270 22 6 6-13.5 460 400 4-20 22 160 60 55 440 250 77 100
    TJA4 B4 400 260 320
    (316)
    22 7 8-15 580 530 6-20 22 160 75 70 521 250 87 130
    TJA5 B5 490 450 400 25 7 12-18 600 550 8-22 28 240 100 90 540 300 107 170
    TJA6 B6 580 520 320
    (316)
    28 10 12-22 600 560 12-22 30 250 110 100 624 350 100 200
    TJA7 B7 650 590 520 30 12 12-22 700 650 12-22 30 275 120 110 724 400 142 200
    TJA8 B8 880 800 680 30 12 12-37 880 810 20-27 37 310 140 130 818 450 202 225

    注:图中所注“H2”仅与本样本BLD系列件速机相配,如选用其他型号或其他厂家减速机,“H2”需另行计算。
    2、Ⅰ型为夹壳式联轴器联接
    3、Ⅱ型为JA型联轴器联接
    4、如用户对输出轴长度有特殊要求,请在订货时说明



    热卖产品
    立即咨询:13861821233 点击这里给我发送消息 售后服务