

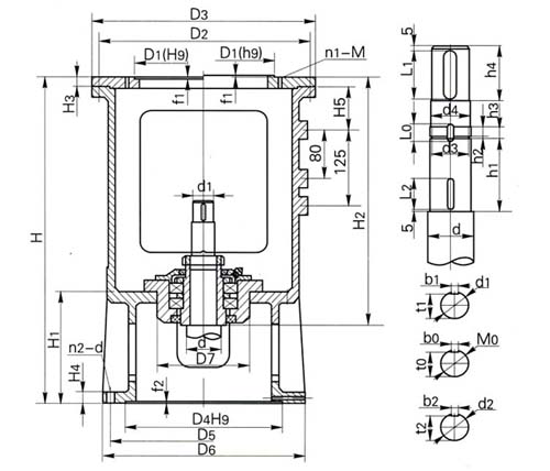
主要参数及尺寸(公称直径 300 、 400 、 500 、 700 )
|
机架 型号 |
机架 公称 直径 |
传动 轴轴 径d |
传动 轴上 端轴 径d1 |
减速机输 出轴径d0 |
输入 端接 口 |
输出端接口 | 外形及其它尺寸 | 轴承型号 |
重量 (kg) |
||||||||||||||||||
|
D4 H9 |
D5 | D6 | n2-d | f2 | A型 | B型 | H3 | H4 | D7 | 上部 | 下部 | A型 | B型 | ||||||||||||||
| H | H1 | H2 | H3 | L | H | H1 | H2 | H3 | L | ||||||||||||||||||
| XS3 | 300 | 60 | 45 | 35,40,45 |
见 表 |
320 | 400 | 445 | 12-22 | 6 | 1155 | 279 | 204 | 620 | 339 | 1400 | 399 | 324 | 745 | 429 | 20 | 32 | 280 | 153513 | 46216 | 196 | 207 |
| 70 | 55 | 45,50,55 | 197 | 383 | 317 | 508 | 153516 | 46216 | 198 | 209 | |||||||||||||||||
| 80 | 65 | 55,60,65 | 186 | 413 | 306 | 538 | 153518 | 46218 | 203 | 214 | |||||||||||||||||
| XS4 | 400 | 90 | 75 | 55,65,70 | 415 | 515 | 565 | 16-26 | 6 | 1310 | 310 | 206 | 695 | 451 | 1535 | 420 | 316 | 810 | 566 | 25 | 34 | 310 | 153520 | 46222 | 343 | 357 | |
| 100 | 85 | 65,70,80 | 195 | 471 | 305 | 586 | 153524 | 46222 | 356 | 370 | |||||||||||||||||
| XS5 | 500 | 100 | 85 | 65,70,80 | 520 | 620 | 670 | 20-26 | 6 | 1620 | 369 | 255 | 865 | 471 | 1870 | 494 | 380 | 990 | 586 | 30 | 36 | 335 | 153524 | 46224 | 546 | 572 | |
| 110 | 90 | 70,80,90 | 251 | 501 | 376 | 646 | 153424 | 46226 | 561 | 587 | |||||||||||||||||
| 120 | 100 | 90,95,100 | 247 | 521 | 372 | 666 | 153528 | 46228 | 566 | 592 | |||||||||||||||||
| 130 | 110 | 95,100,110 | 234 | 569 | 359 | 694 | 153532 | 46230 | 578 | 604 | |||||||||||||||||
| XS6 | 700 | 120 | 100 | 90,95,100 | 670 | 780 | 860 | 28-26 | 6 | 1830 | 399 | 277 | 970 | 521 | 2060 | 514 | 392 | 1085 | 666 | 35 | 40 | 400 | 153528 | 46228 | 981 | 1018 | |
| 130 | 110 | 95,100,110 | 264 | 569 | 379 | 694 | 153532 | 46230 | 991 | 1028 | |||||||||||||||||
| 140 | 120 | 100,110,120 | 251 | 599 | 366 | 724 | 153534 | 46232 | 998 | 1035 | |||||||||||||||||
| 160 | 140 | 120,130,140 | 243 | 647 | 358 | 762 | 153538 | 46234 | 990 | 1027 | |||||||||||||||||
| XS7 | 900 | 140 | 120 | 100,110,120 | 940 | 1070 | 1124 | 14-30 | 6.4 | 2150 | 426 | 283 | 1150 | 599 | 2350 | 550 | 407 | 1250 | 724 | 40 | 50 | 490 | 153534 | 46232 | 1500 | 1600 | |
| 160 | 140 | 120,130,140 | 267 | 647 | 393 | 762 | 153538 | 46234 | |||||||||||||||||||
| 180 | 160 | 140,150,160 | 254 | 711 | 378 | 826 | 153540 | 46240 | |||||||||||||||||||
| 200 | 180 | 160,170,180 | 240 | 830 | 364 | 930 | 153544 | 46244 | |||||||||||||||||||
|
机架 型号 |
机架公 称直径 |
传动轴 轴径d |
传动轴上 端轴径d1 |
传动轴轴尺寸 | |||||||||||||||||
| M0 | d2h9 | d3 | d4 | h | h1 | h2 | h3 | h4 | L1 | L0 | L2 | b1 | b0 | b2 | t1 | t0 | t2 | ||||
| XS3 | 300 | 60 | 45k6 | M55×2 | 55 | 52 | 50 | 322 | 125 | 4 | 15 | 68 | 60 | 27 | 40 | 14 | 8 | 8 | 39.5 | 51 | 51 |
| 70 | 55m6 | M65×2 | 65 | 62 | 60 | 278 | 125 | 4 | 15 | 83 | 75 | 27 | 40 | 16 | 8 | 8 | 49 | 61 | 61 | ||
| 80 | 65m6 | M75×2 | 75 | 72 | 70 | 264 | 139 | 4 | 18 | 98 | 90 | 32 | 50 | 18 | 10 | 10 | 58 | 69 | 70 | ||
| XS4 | 400 | 90 | 75m6 | M85×2 | 85 | 82 | 80 | 322 | 162 | 4 | 18 | 108 | 100 | 32 | 50 | 20 | 10 | 10 | 67.5 | 79 | 80 |
| 100 | 85m6 | M95×2 | 95 | 92 | 90 | 317 | 166 | 4 | 22 | 118 | 110 | 38 | 50 | 22 | 12 | 12 | 76 | 89 | 90 | ||
| XS5 | 500 | 100 | 85m6 | M95×2 | 95 | 92 | 90 | 490 | 166 | 4 | 22 | 118 | 110 | 38 | 50 | 22 | 12 | 12 | 76 | 89 | 90 |
| 110 | 90m6 | M100×2 | 100 | 97 | 95 | 420 | 166 | 4 | 22 | 118 | 110 | 38 | 50 | 25 | 12 | 12 | 81 | 94 | 95 | ||
| 120 | 100m6 | M110×2 | 110 | 107 | 105 | 413 | 177 | 4 | 22 | 128 | 120 | 40 | 60 | 28 | 14 | 14 | 90 | 104 | 104.5 | ||
| 130 | 110m6 | M120×2 | 120 | 117 | 115 | 370 | 177 | 4 | 26 | 138 | 130 | 44 | 70 | 28 | 14 | 14 | 100 | 114 | 114.5 | ||
| XS6 | 700 | 120 | 100m6 | M110×2 | 110 | 107 | 105 | 508 | 177 | 4 | 22 | 128 | 120 | 40 | 60 | 28 | 14 | 14 | 90 | 108 | 105.5 |
| 130 | 110m6 | M120×2 | 120 | 117 | 115 | 465 | 177 | 4 | 26 | 138 | 130 | 44 | 70 | 28 | 14 | 14 | 100 | 114 | 114.5 | ||
| 140 | 120m6 | M130×2 | 130 | 127 | 125 | 468 | 197 | 4 | 26 | 153 | 145 | 44 | 70 | 32 | 14 | 14 | 109 | 122 | 124.5 | ||
| 160 | 140m6 | M150×2 | 150 | 147 | 145 | 441 | 207 | 4 | 30 | 168 | 160 | 50 | 70 | 36 | 16 | 16 | 128 | 142 | 144 | ||
| XS7 | 900 | 140 | 120m6 | M130×2 | 130 | 127 | 125 | 468 | 197 | 4 | 26 | 153 | 145 | 44 | 70 | 32 | 14 | 14 | 109 | 122 | 124.5 |
| 160 | 140m6 | M150×2 | 150 | 147 | 145 | 441 | 207 | 4 | 30 | 168 | 160 | 50 | 70 | 69 | 16 | 16 | 128 | 142 | 144 | ||
| 180 | 160m6 | M170×3 | 170 | 166 | 165 | 496 | 227 | 4 | 32 | 198 | 190 | 52 | 80 | 40 | 16 | 16 | 157 | 162 | 164 | ||
| 200 | 180m6 | M190×3 | 190 | 186 | 185 | 536 | 242 | 4 | 32 | 238 | 230 | 54 | 90 | 45 | 18 | 18 | 175 | 180 | 182 | ||
XD、XS型机架输入端接口尺寸
| 减速机输出轴径d0 | 减速机类别代号 | D1 | D2 | D3 | n1-M | f1 |
| 12 | Z | 65 | 100 | 120 | 4-M6 | 3 |
| 14 | Z | 85 | 120 | 140 | 4-M8 | 3 |
| 18 | Z | 100 | 134 | 160 | 4-M8 | 4 |
| 25 | Z | 130 | 160 | 180 | 6-M8 | 4 |
| C | 170 | 200 | 230 | 6-M10 | 3 | |
| 30 | C | 200 | 230 | 260 | 6-M12 | 4 |
| 35 | Z | 170 | 200 | 230 | 6-M10 | 5 |
| C | 230 | 260 | 290 | 6-M12 | 4 | |
| 40 | Z | 170 | 200 | 230 | 6-M10 | 5 |
| C | 230 | 260 | 290 | 6-M12 | 4 | |
| 45 | Z | 200 | 230 | 260 | 6-M10 | 5 |
| C | 230 | 260 | 290 | 6-M12 | 4 | |
| 50 | Z | 200 | 230 | 260 | 6-M10 | 5 |
| C | 270 | 305 | 340 | 6-M10 | 5 | |
| 55 | Z | 200 | 230 | 260 | 6-M10 | 5 |
| C | 270 | 305 | 340 | 8-M16 | 5 | |
| 60 | C | 320 | 360 | 400 | 8-M16 | 5 |
| 65 | Z | 316 | 360 | 400 | 8-M12 | 6 |
| Z1 | 270 | 310 | 340 | 6-M10 | 5 |
| 减速机输出轴径d0 | 减速机类别代号 | D1 | D2 | D3 | n1-M | f1 |
| 60 | C | 320 |
360 |
400 |
8-M16 |
5 |
| 70 | Z | 316 | 360 | 400 | 8-M16 | 6 |
| C |
320 316 |
360 | 400 | 8-M16 | 5 | |
| 80 | Z | 345 | 390 | 430 | 8-M16 | 6 |
| Z1 | 316 | 360 | 400 | 8-M12 | 6 | |
| C | 360 | 410 | 460 | 8-M20 | 6 | |
| 90 | Z | 400 | 450 | 490 | 12-M16 | 8 |
| C | 360 | 410 | 460 | 8-M20 | 6 | |
| 95 | Z | 400 | 450 | 490 | 12-M18 | 8 |
| Z1 | 455 | 520 | 580 | 12-M20 | 10 | |
| 100 | Z | 455 | 520 | 580 | 12-M20 | 10 |
| C | 470 | 520 | 580 | 12-M20 | 6 | |
| 110 | Z | 520 | 590 | 650 | 12-M20 | 12 |
| C | 470 | 520 | 580 | 12-M20 | 6 | |
| 120 | Z | 520 | 590 | 650 | 12-M20 | 12 |
| C | 550 | 600 | 660 | 12-M20 | 6 | |
| 130 | Z | 680 | 800 | 880 | 12-M30 | 12 |
| C | 680 | 800 | 880 | 12-M30 | 12 | |
| 140 | Z | 680 | 800 | 880 | 12-M30 | 12 |
| 180 | Z | 900 | 1020 | 1160 | 12-M36 | 12 |
注:1、减速机类别代号Z为X系列,B系列的摆线针轮减速C为LC型,DC型齿轮减速机。
2、其他类型减速机由我公司对接口加以调整后也可配套。









