导航 搜索
    滚子联轴器(GB6069-85)



    注:由于市场价格时有波动,以下价格仅供参考,实际以销售人员报价为准,详情请拨打:13861821233

    商品介绍

     

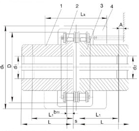
    标记示例
    例1:GL7型滚子联轴器
    主动端:J1型孔,B型键槽 d1=45mm,L1=84mm
    从动端:J1型孔,B1型键槽 d2=50mm ,L1=84mm 
    GL7联轴器
    J1B45×84/J1B150×84=GB6069-85
    例2:GL3型滚子链轴,有罩壳
    主动端:J1型孔,B型键槽 d1=25mm,L1=44mm
    从动端:J1型孔,B1型键槽 d2=25mm ,L1=44mm 
    G13F联轴器J125×44 GB6069-85
    型号
     
     
    公称转矩TnN·m
     
     
    许用转速(n)
    r/min
     
     
     
     
     
    轴孔直径
    d1、d2
    轴孔长度
     
     
     
    链号
    链条
    节距
    齿数
     
     
    D
     
     
    b1
     
    S
     
     
    A
     
     
    Dx
    (最大)
     
     
    Lx
    (最大)
     
     
    质量
    kg
     
     
    传动惯量kg·m2
     
     
    Y型
    J1
    不装罩壳
    安装罩壳
    L
    L1
     
     
     
    GL1
    40
     
     
     
    1400
     
     
     
    4500
     
     
     
    16
    42
    -
     
     
     
    06B
    9.525
     
     
     
    14
     
     
     
    51.06
     
     
     
    5.3
     
     
     
    4.9
     
     
     
    -
     
     
     
    70
    70
     
     
    0.40
     
     
    0.00010
     
     
     
    18
    42
    -
    -
    19
    42
    -
    -
    20
    52
    38
    4
     
     
     
    GL2
    63
     
     
     
    1250
     
     
     
    4500
     
     
     
    19
    42
    -
     
     
     
    06B
    9.525
     
     
     
    16
     
     
     
    57.08
     
     
     
    5.3
     
     
     
    4.9
     
     
     
    -
     
     
     
    75
    75
     
     
     
    0.70
     
     
     
    0.00020
     
     
     
    20
    52
    38
    4
    22
    52
    38
    4
    24
    52
    38
    4
     
    GL3
     
     
    100
     
     
     
    1000
     
     
     
    4000
     
     
     
    20
    52
    38
     
     
     
    08B
    12.7
     
     
     
    14
     
     
     
    68.88
     
     
     
    7.2
     
     
     
    6.7
     
     
     
    12
     
     
     
    85
     
     
     
    80
    1.1
     
     
     
    0.00038
     
     
     
    22
    52
    38
    12
    24
    52
    44
    12
    25
    62
    -
    6
     
     
     
     
    GL4
     
    160
     
     
     
     
     
     
     
    1000
     
    4000
     
     
     
    24
    52
    -
     
     
     
     
    08B
    12.7
     
     
     
     
     
     
     
     
    16
    76.91
     
     
     
     
    7.2
     
     
     
     
    6.7
     
     
     
     
    -
     
     
     
     
    95
    88
     
     
     
     
    1.8
     
     
     
     
    0.00086
     
     
     
     
    25
    62
    44
    6
    28
    62
    44
    6
    30
    82
    60
    -
    32
    82
    60
    -
     
    GL5
     
     
     
     
    250
     
     
     
     
     
    800
     
     
     
     
     
    3150
     
     
     
     
     
    28
    62
    -
     
     
     
     
     
    10A
    15.875
     
     
     
     
     
    16
     
     
     
     
     
    94.46
     
     
     
     
     
    8.9
     
     
     
     
     
    9.2
     
     
     
     
     
    -
     
     
     
     
     
    112
    100
     
     
     
     
     
    3.2
     
     
     
     
     
     
    0.0025
     
     
     
     
    30
    82
    60
    -
    32
    82
    60
    -
    35
    82
    60
    -
    38
    82
    60
    -
    40
    112
    84
    -
     
    GL6
     
     
     
     
     
     
    400
     
     
     
     
     
     
     
    630
     
     
     
     
     
     
     
    2500
     
     
     
     
     
     
     
    32
    82
    60
     
     
     
     
     
     
     
    10A
    15.875
     
     
     
     
     
     
    20
     
     
     
     
     
     
     
    116.57
     
     
     
     
     
     
     
    8.9
     
     
     
     
     
     
     
    9.2
     
     
     
     
     
     
     
    -
    140
     
     
     
     
     
     
     
    105
     
     
     
     
     
     
     
    5.0
     
     
     
     
     
     
     
     
    0.0058
     
     
     
     
     
     
    35
    82
    60
    -
    38
    82
    60
    -
    40
    112
    84
    -
    42
    112
    84
    -
    45
    112
    84
    -
    18
    112
    84
    -
    50
    112
    84
    -
     
     
     
     
     
     
    GL7
    630
     
     
     
     
     
    630
     
     
     
     
     
     
    2500
     
     
     
     
     
     
    40
    112
    60
     
     
     
     
     
     
    12A
    19.05
     
     
     
     
     
     
    18
     
     
     
     
     
     
    127.78
     
     
     
     
     
     
    11.9
     
     
     
     
     
     
    10.9
     
     
     
     
     
     
    -
     
     
     
     
     
     
    150
    122
     
     
     
     
     
     
    7.4
     
     
     
     
     
     
     
    0.012
     
     
     
     
     
    42
    112
    60
    -
    45
    112
    60
    -
    48
    112
    84
    -
    50
    112
    84
    -
    55
    112
    84
    -
    60
    142
    107
    -
     
     
     
     
     
     
    GL8
    1000
     
     
     
     
     
     
    500
     
     
     
     
     
     
    2240
     
     
     
     
     
     
    45
    112
    84
     
     
     
     
     
     
    16A
    25.40
     
     
     
     
     
     
    16
     
     
     
     
     
     
    154.33
     
     
     
     
     
     
    15.0
     
     
     
     
     
     
    14.3
     
     
     
     
     
     
    12
     
     
     
     
     
     
    180
    135
     
     
     
     
     
     
    11.1
     
     
     
     
     
     
     
    0.025
     
     
     
     
     
    48
    112
    84
    12
    50
    112
    84
    12
    55
    112
    84
    12
    60
    142
    107
    -
    65
    142
    107
    -
    70
    142
    107
    -
     
    GL9
    1600
     
    400
     
    2000
     
    50
    112
    84
     
    16A
    25.4
     
    20
     
    186.50
     
    15.0
     
    14.3
     
    12
    215
     
    145
     
    20.0
     
     
    0.061
    55
    112
    84
    12

     

     

    , , ,

    型号
     
     
    公称转矩TnN·m
     
     
    许用转速(n)
    r/min
     
     
     
     
     
    轴孔直径
    d1、d2
    轴孔长度
     
     
     
    链号
    链条
    节距
    齿数
     
     
    D
     
     
    b1
     
    S
     
     
    A
     
     
    Dx
    (最大)
     
     
    Lx
    (最大)
     
     
    质量
    kg
     
     
    传动惯量kg·m2
     
     
    Y型
    J1
    不装罩壳
    安装罩壳
    L
    L1
     
    GL9
     
     
     
    1600
     
     
     
     
    400
     
     
     
     
    2000
     
     
     
     
    60
    142
    107
     
     
     
     
    16A
    25.40
     
     
     
     
    20
     
     
     
     
    186.50
     
     
     
     
    15.0
     
     
     
     
    14.3
     
     
     
     
    -
     
     
     
     
    215
    145
     
     
     
     
    20.0
     
     
     
     
     
    0.061
     
     
     
    65
    142
    107
    -
    70
    142
    107
    -
    75
    142
    107
    -
    80
    172
    132
    -
     
    GL10
     
     
     
     
     
    2500
     
     
     
     
     
     
    315
     
     
     
     
     
     
    1600
     
     
     
     
     
     
    60
    142
    107
     
     
     
     
     
     
    20A
    31.75
     
     
     
     
     
     
    18
     
     
     
     
     
     
    213.02
     
     
     
     
     
     
    18.0
     
     
     
     
     
     
    17.8
     
     
     
     
     
     
    6
     
     
     
     
     
     
    245
    165
     
     
     
     
     
     
    26.1
     
     
     
     
     
     
    0.079
     
     
     
     
     
     
    65
    142
    107
    6
    70
    142
    107
    6
    75
    142
    107
    6
    80
    172
    132
    -
    85
    172
    132
    -
    90
    172
    132
    -
     
    GL11
     
     
     
     
     
    4000
     
     
     
     
    250
     
     
     
     
     
    1500
     
     
     
     
     
    75
    142
    107
     
     
     
     
     
    24A
    38.1
     
     
     
     
     
    16
     
     
     
     
     
    231.49
     
     
     
     
     
    24.0
     
     
     
     
     
    21.5
     
     
     
     
     
    35
     
     
     
     
     
    270
    195
     
     
     
     
     
    39.2
     
     
     
     
     
    0.188
     
     
     
     
     
    80
    172
    132&, lt;, /DIV>
    10
    85
    172
    132
    10
    90
    172
    132
    10
    95
    212
    132
    10
    100
    172
    167
    -
     
    GL12
     
     
     
     
    6300
     
     
     
     
     
    250
     
     
     
     
     
    1250
     
     
     
     
     
    85
    172
    132
     
     
     
     
     
    28A
    44.45
     
     
     
     
     
    16
     
     
     
     
     
    270.08
     
     
     
     
     
    24.0
     
     
     
     
     
    24.9
     
     
     
     
     
    20
     
     
     
     
     
    310
    205
     
     
     
     
     
    59.4
     
     
     
     
     
    0.380
     
     
     
     
     
    90
    172
    132
    20
    95
    172
    132
    20
    100
    212
    167
    -
    110
    212
    167
    -
    120
    212
    167
    -
     
    GL13
     
     
     
     
    10000
     
     
     
     
     
    200
     
     
     
     
     
    1120
     
     
     
     
     
    100
    212
    167
     
     
     
     
     
    32A
     
     
     
     
     
    50.8
    18
     
     
     
     
     
    340.80
     
     
     
     
     
    30.0
     
     
     
     
     
    28.6
     
     
     
     
     
    14
     
     
     
     
     
    380
    230
     
     
     
     
     
    86.5
     
     
     
     
     
    0.869
     
     
     
     
     
    110
    212
    167
    14
    120
    212
    167
    14
    125
    212
    167
    14
    130
    252
    202
    -
    140
    252
    202
    -
     
    GL14
     
     
     
     
    16000
     
     
     
     
     
    200
     
     
     
     
     
    1000
     
     
     
     
     
    120
    212
    167
     
     
     
     
     
    32A
    50.8
     
     
     
     
     
    22
     
     
     
     
     
    405.22
     
     
     
     
     
    30.0
     
     
     
     
     
    28.6
     
     
     
     
     
    14
     
     
     
     
     
    450
    250
    150.8
     
     
     
     
     
     
     
     
     
     
    2.06
     
     
     
     
     
    125
    212
    167
    14
    130
    252
    202
    -
    140
    252
    202
    -
    150
    252
    202
    -
    160
    302
    202
    -
     
     
     
     
     
    GL15
    25000
     
     
     
     
     
    200
     
     
     
     
     
    900
     
     
     
     
     
    140
    252
    202
    40A
     
     
     
     
    63.5
     
     
     
     
     
    20
     
     
     
     
     
    466.25
     
     
     
     
     
    36.0
     
     
     
     
     
    35.6
     
     
     
     
     
    18
    510
     
     
     
     
     
    285
     
     
     
     
     
    234.4
     
     
     
     
     
    4.37
     
     
     
     
     
    150
    252
    202
    18
    160
    302
    242
    -
    170
    302
    242
    -
    180
    302
    242
    -
    190
    352
    282
    -

     

    注:
    1、有罩壳时,在型号后加“F”,例GL5型联轴器,有罩壳时改为GL5F。
    2、表中联轴器质量和转动惯量是近似值。
    3、联轴器的轴孔和键槽型式及尺寸见表4-2-3和表4-2-5。
    4、联轴器的润滑对性能有重大影响,无论有无外罩壳,均应保证必要的润滑。
    5、联轴器许用补偿量见表4-2-10。

    表4-2-10滚子联轴器许用补偿量

     

    型号
    GL1
    GL2
    GL3
    GL4
    GL5
    GL6
    GL7
    GL8
    GL9
    GL10
    GL11
    GL12
    GL13
    GL14
    GL15
    项目
     
     
     
     
     
     
     
     
     
     
     
     
     
     
     
    径向△Y,mm
    0.19
    0.19
    0.25
    0.25
    0.32
    0.32
    0.38
    0.50
    0.50
    0.63
    0.76
    0.88
    1.0
    1.0
    1.27
    轴向△X,mm
    1.4
    1.4
    1.9
    1.9
    2.3
    2.3
    2.8
    3.8
    3.8
    4.7
    5.7
    6.6
    7.6
    7.6
    9.5
    角向△α
     
     
     
     
     
     
     
     
     
     
     
     
     
     

     


    注:
    1、径向便宜量的测量部位,在半轴器论毂外圆宽度的1/2处。
    2、所列补偿量的是指容许的由于安装误差、冲击、振动、变形、温度变化等因素所形成的两轴相对偏移量。

     


    热卖产品
    立即咨询:13861821233 点击这里给我发送消息 售后服务