导航 搜索
    TJ型油浸式电动滚筒



    注:由于市场价格时有波动,以下价格仅供参考,实际以销售人员报价为准,详情请拨打:13861821233

    商品介绍

     一、TJ型油浸式电动滚筒的主要用途 

    TJ型油浸式电动滚筒作为带式输送机和提升的动力,广泛用于农业、商业、邮电业、食品工业、烟草工业、汽车工业、水泥工业、采矿业、旅游业、可运送各种建筑材料、矿石、木材、食品、印刷品及其他货物.
     
    二、TJ型油浸式电动滚筒功率选择的计算
       
      采用TJ型电动滚筒,按下列公式计算,所需要电动滚筒的电机功率。
      功率的计算,在各种机械手册中都有推荐公式,但方式不尽相同,计算结果也可能稍有出入。为了使用电动滚筒的设计计算与用户的使用要求统一起来,我们推荐采用下列公式计算电动滚筒所需要的功率:
     
     
     
                             
     
     
                         式中:P—电动滚筒的轴功率(Kw)
                               C—输送带、轴承处的阻力系数,数值可以从表1中查到。
                               f—托辊的阻力系数,f=O.  025~O.  030
                               L—输送机的电动滚筒与尾部改向滚筒中心距地水平投影(m)
                               Gm—输送带、托辊、改向滚筒等旋转零件的重量,数值可从表2中查到。(kg / m)
                               V—带速(m / s)
                               Qt—输送量(t / h)
                               H—输送高度(m)
                               B—带宽(mm)
     

    L(m)

    3

    4

    5

    6

    8

    9

    10

    16

    20

    C

    9.0

    7.6

    6.6

    5.9

    5.1

    4.5

    4.1

    3.6

    3.2

    L(m)

    25

    32

    40

    50

    6.3

    80

    100

    125

    160

    C

    2.9

    2.6

    2.4

    2.2

    2.0

    1.9

    1.8

    1.65

    1.59

    L(m)

    200

    250

    300

    400

    500

    600

    700

    800

    900

    C

    1.47

    1.38

    1.33

    1.25

    1.20

    1.17

    1.13

    1.11

    1.08


    B(mm)

    500

    600

    650

    800

    1000

    1200

    1400

    1600

    1800

    Gm

    标准输送带6

    17

    26

    28

    40

    56

    70

    85

    105

    120

    重载输送带

    20

    30

    32

    45

    62.5

    80

    110

    135

    160

     表2

     

     

    三、TJ型油浸式电动滚筒的转矩计算

     

    TJ型油浸式电动滚筒的转矩计算可按下列公式计算:

     

                                 

    式中:M--转矩(Nm); D--滚筒直径(m)

          P--功率:(km); V--带速 (m/sec)

          通过电动机率和转矩计算:电动滚筒技术规格参数选用。

     

    四、TJ型油浸式电动滚筒选用注意事项

     

     一、按照上述公式计算出的电动功率在下列情况下需要进行修正。

      1、电动滚筒每天连续工作8小时,电机功率需要提高一档。

      2、简体包胶的电动滚筒,电机功率应提高一档。

      3、启动频繁的电动滚筒,电机功率应提高一档。

     二、电动滚筒应当水平安装,最大倾角不超过15°。

     三、用户应当严格按照使用说明书规定的润滑油种类润滑油时间更换润滑

     

    油。

     四、限制一个方向旋转时,应选用带有机械逆止器的电动滚筒。

     五、要求断电立即停车时,应选用带电磁制动器的电动滚筒。

     六、电动滚筒的工作环境温度为-10℃至40℃,物料温度小于60℃,海拔高

     

    度不超过1000米,如果工作环境超过上述范围,请与生产厂联系解决。

     七、TJ型油浸式电动滚筒如需在负荷下启动,请与生产常联系。

     

    型号说明

     

      例如如订购直径400毫米、功率2.2千瓦、带速为1.25米/秒、筒长为500毫米配用Tz型支座电动滚筒的TJ型电动滚筒可简写为:

     

    TJ-400 / 2.  2 / 1.  25 / 500-TZ

    订货注意事项

     

         用户如订购带有逆止器、电磁制动器、F级和H级绝缘、滚筒包胶的电动滚筒请另注明。标准筒长为50mm一档。

     

    五、TJ型油浸式电动滚筒使用润滑油注意事项

     

    TJ型电动滚筒为直接油冷式电动滚筒,因此使用润滑油应格外注意。我们推荐使用我国生产的150号合成极压工业齿轮油。

    注油量一定严格按照电动滚筒铭牌中给定的数值。油量过多或过少都会影响电动滚筒的效率和正常运转。

    我们建议在电动滚筒工作200-300小时之后,更换滚筒内润滑油。以后每隔5000小时换油一次。为了方便放油,应将两个油塞同时旋开,并且旋转滚筒,使油孔处于最低位置,直至滚筒内油全部放净为止。

     

    六、TJ型油浸式电动滚筒的技术规格参数

        

    ●TJ型油浸式电动滚筒名义直径Φ110mm

    型式:MINI型

    ●TJ型油浸式电动滚筒名义直径Φ135mm

    型式:00TL 型

    功率

    KW

    带速

    m/s

    最小筒宽B min

    mm

    最大筒宽B max

    mm

    0.18

    0.16

    300

    950

    0.25

    0.20  0.25 

    0.37

    0.32  0.40 0.50 

    0.55

    0.63  0.80  1.00

     

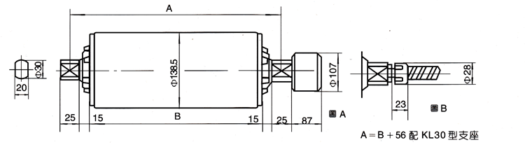
    注:图A为接线盒接线装置  图B为软线接线装置

     

    ●TJ型油浸式电动滚筒名义直径Φ160mm

    型式:11TL型

    ●TJ型油浸式电动滚筒名义直径Φ215mm

    型式:21TL、 22TL

     

    表6 

    功率

    KW

    带速

    m/s

    最小筒宽B min

    mm

    最大筒宽B max

    mm

    0.11

    0.08

    0.10

    0.13

     

     

    400

    950

    0.25

    0.13

    1.16

    0.20

    0.25

    0.32

    0.40

    0.20

    0.63

     

     

    0.37

    0.16

    0.20

    0.25

    0.32

    0.40

    0.50

    0.63

    0.80

    1.00

    1.25

    0.75

    0.25

    0.32

     

     

     

    500

    950

    0.40

    0.50

    0.63

    0.80

    1.00

    400

    950

    1.1

    1.25

    1.60

    2.00

    2.50

     

    0.50

    0.63

    0.80

    1.00

     

    400

    950

    1.5

    1.25

    1.60

    2.00

    2.50

     

    0.40

    0.50

    0.63

    0.80

    1.00

    500

    950

    2.2

    1.25

    1.60

    2.00

    2.50

     

    0.50

    0.63

    0.80

    1.00

     

    500

    950

    3.0

    1.25

    1.60

    2.00

    2.50

     

    1.00

    1.25

    1.60

    2.00

    2.50

    500

    950

    注:图A为接线盒接线装置  图B为软线接线装置

     

    ●TJ型油浸式电动滚筒名义直径Φ315mm

     

    型式:33N、33T 

    表7

     

    功率

    KW

    带速

    m/s

    最小筒宽B min

    mm

    最大筒宽B max

    mm

    1.5

    0.25

    0.32

    0.40

    0.50

     

     

    500

    1150

    0.63

    0.80

    1.00

    1.25

     

     

    2.2

    0.40

    0.50

    0.63

    0.80

    1.00

     

    1.25

    1.60

    2.00

    2.50

     

     

    3.0

    0.50

    0.63

    0.80

    1.00

    1.25

     

    1.60

    2.00

    2.50

    3.20

     

     

    4.0

    0.80

    1.00

    1.25

    1.60

     

     

    2.00

    2.50

    3.20

     

     

     

    5.5

    1.00

    1.25

    1.60

    2.00

    2.50

    3.20

    ●TJ型油浸式电动滚筒名义直径Φ400mm

    表8   

    功率

    KW

    带速

    m/s

    最小筒宽B min

    mm

    最大筒宽B max

    mm

    1.5

    0.50 

    0.63

    0.80

    1.00

    1.25

    500

    1150

    1.60

     

     

     

     

    2.2

    0.80

    1.00

    1.25

    1.60

    2.00

    2.50 

    3.20

     

     

     

    3.0

    1.25

    1.60

    2.00

    2.50

     

    3.20

    4.00

     

     

     

    4.0

    1.25

    1.60

    2.00

    2.50

     

    3.20

    4.00

     

     

     

    5.5

    2.00

    2.50

    3.20

    4.00

     

     

     型式Ⅱ:44N、44T

    表9 

    功率

    KW

    带速

    m/s

    最小筒宽B min

    mm

    最大筒宽B max

    mm

    2.2

    0.32

    0.40

    0.50

    0.63

    600

    1150

    3.0

    0.50

    0.63

     

     

    700

    1150

    0.80

    1.00

     

     

    600

    1150

    4.0

    0.63

    0.80

    1.00

     

    600

    1150

    5.5

    0.80

    1.00

    1.25

    1.60

    600

    1150

    7.5

    1.0

    1.25

    1.60

     

    700

    1150

    2.00

    2.50

    3.20

     

    600

    功率

    KW

    带速

    m/s

    最小筒宽B min

    mm

    最大筒宽B max

    mm

    2.2

    0.32

    0.40

    0.50

    0.63

    600

    1150

    3.0

    0.50

    0.63

     

     

    700

    1150

    0.80

    1.00

     

     

    600

    1150

    4.0

    0.63

    0.80

    1.00

     

    600

    1150

    5.5

    0.80

    1.00

    1.25

    1.60

    600

    1150

    7.5

    1.0

    1.25

    1.60

     

    700

    1150

    2.00

    2.50

    3.20

     

    600

    ●TJ型油浸式电动滚筒名义直径Φ500mm

    型式Ⅰ:54N 

     

    TJ型油浸式电动滚筒尺寸:



    热卖产品
    立即咨询:13861821233 点击这里给我发送消息 售后服务