导航 搜索
    PWU环面蜗杆减速机



    注:由于市场价格时有波动,以下价格仅供参考,实际以销售人员报价为准,详情请拨打:13861821233

    商品介绍
    PWU型平面二次包络环面蜗杆减速器是以一个平面为母面,通过相圆周运动,包络出环面蜗杆的齿面,再以蜗杆的齿面为母面,通过相对运动包络出蜗轮的齿面。平面二次包络环面蜗杆与普通圆柱蜗杆及直廓环面蜗杆相比较,具有以下特点:
    1、蜗杆为环面蜗杆,与蜗轮同时啮合的齿数增多;
    2、蜗杆的齿面的经过硬化处理后精确磨削而成,齿面硬度,表面表糙度等级提高,可以达到很高的齿型精度。
    3、齿面接触面积大,并且有瞬时双线接触,接触线总长度加长。
    4、齿面润滑角大,啮合中容易形成动压油。
    PWU80、PWU100、PWU125、PWU140、PWU160、PWU180、PWU200、PWU225、PWU250、PWU280、 PWU315、PWU355、 PWU400、PWU450、PWU500、PWU560、PWU630、PWU710减速器。
    PWU蜗杆减速机
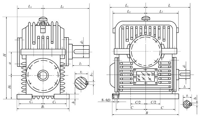
    PWU80-PWU355型二次包络环面蜗杆减速器,主要尺寸:
    PWU蜗杆减速机
       
    a H1 B B1 C C1 D H L L1 L2 L3 L4 L5 d­1 b­1 t1 l1 d2 b2 t2 l2 h
    80 100 250 190 112 80 14 315 160 160 125 180 100 90 25 8 28 42 45 14 48.5 82 30
    100 112 300 236 130 100 16 355 200 200 160 212 125 118 32 10 35 58 55 16 59 82 35
    125 125 355 280 160 125 18 450 236 236 190 250 150 140 38 10 41 58 65 18 69 105 38
    140 140 400 315 180 140 20 500 265 265 212 280 160 160 42 12 45 82 70 20 74.5 105 40
    160 160 450 355 200 160 21 560 300 300 236 315 190 180 48 14 51.5 82 80 22 85 130 42
    180 180 500 400 225 180 22 630 335 335 265 355 212 200 56 16 60 82 90 25 95 130 45
    200 200 560 450 250 200 24 710 355 355 300 400 236 224 60 18 64 105 100 28 106 165 50
    225 225 630 500 280 225 26 800 400 400 315 450 265 250 65 18 69 105 110 28 116 165 53
    250 250 670 530 300 250 28 850 450 450 355 500 280 280 70 20 74.5 105 125 32 132 165 56
    280 280 800 600 355 280 30 950 475 475 400 560 315 315 85 22 90 130 140 36 148 200 60
    315 315 900 670 375 315 32 1060 560 560 450 630 355 355 90 25 95 130 150 36 158 200 67
    355 355 1000 750 425 355 35 1250 670 670 500 710 400 400 100 28 106 165 170 40 179 240 75
     
     
    PWU蜗杆减速机
     
     
     
    a H1 B B1 C C1 D H L L1 L2 L3 L4 d­1 b­1 t1 l1 d2 b2 t2 l2 h
    400 355 900 800 400 355 35 1250 600 600 450 630 375 110 28 116 165 180 45 190 240 55
    450 400 1000 900 450 400 39 1400 670 670 500 710 425 125 32 132 165 200 45 210 280 60
    500 450 1120 1000 500 450 42 1600 750 750 560 800 475 130 32 137 200 220 50 231 280 65
    560 500 1250 1120 560 500 45 1800 850 850 630 900 530 150 36 158 200 250 56 262 330 72
    630 560 1400 1250 630 560 48 2000 950 950 710 1000 600 170 40 179 240 280 63 292 380 80
    710 630 1600 1400 710 630 52 2240 1060 1060 800 1250 670 190 45 200 280 320 70 334 380 88
      


    热卖产品
    立即咨询:13861821233 点击这里给我发送消息 售后服务